This past weekend I added added multicolor ambient light modules to my 2019 Ford Focus mk4. I started with only the footwells, cupholder and storage compartment (The one under the A/C controls) lights. I still have to add in the lights in the doors.
I figured I would test it at this stage, but I can’t seem to get any of them to light up. I have configured the APIM module via Forscan to have the ambient light menu, but the controls do nothing. I suspect that I need to “enable” the LIN output controlling the lights in the BCM somehow, but in Forscan I can’t seem to find any settings in the BCM regarding ambient light control?
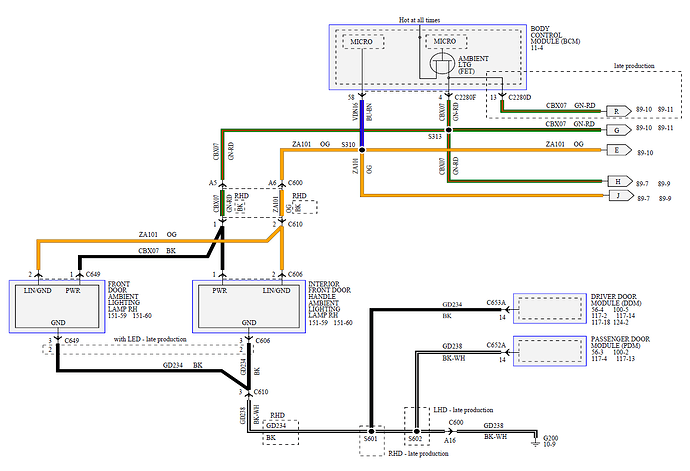
I followed the wiring in the service manual for the car:
- All LIN signals for the lights are combined into a single cable, and is connected to pin 58 on connector C2280F on the BCM.
- Power for all the lights are driven from pin 4 on connector C2280F on the BCM.
- GND’s are combined and lead to a common ground point G208.
It may be important to know that my car didn’t have any ambient lights prior to this (Except fixed ice blue lights in the cupholders and storage compartment). This would mean that the LIN control was never enabled in my car, which could explain why I would need to configure the BCM to have LIN control over the ambient light.
I have attached the as-built from the BCM, hopefully someone can give me some pointers 
Perhaps helpful information about my vehicle:
- Ford Focus MK4 built May, 2019
- BCM - JU5T-14B476-BCJ
- APIM - 4U5T-14G371-AFA
BdyCM.abt (2.3 KB)
Dang, I was hoping that someone would have a quick simple answer to this, but I guess it is going to require a bit more digging 
In the meantime, I have hooked up an oscilloscope on the LIN communication line to verify that no communication is happening - Which there isn’t. The line is floating at battery voltage which an idle LIN bus should.
I did find a mistake in the power wiring though. In Fords wiring diagrams, Pin 4 on C2280F and Pin 13 on C2280D are connected internally in the BCM, but that is simply not true! There is no continuity between those pins which means they can’t be used interchangeably.
Perhaps the control of the two pins are connected, which technically would make this diagram correct and make it possible to use both pins to power the lights…
All of the LED’s connected now, are connected via the factory powerwire which was used for the single color ambient light, which is pin 13 on C2280D.
Measuring pin 13 on C2280D with the oscilloscope reveals that the original LED’s were controlled using PWM (200Hz if anyone is curious), and using the ambient light sensor to adjust the brightness (I saw the dutycycle change when the lights in the garage were turned off).
I think this confirms that the BCM just isn’t configured correctly. It thinks that the LED’s can be controlled with PWM, when really they need to just be powered on fully, and then controlled via LIN.
Hi! Are you successfully configured your LIN bus? I was tried before on my non-facelifted MK4 to do it after I wanted to retfofix the intrusion sensor for alarm, but is was not successfull, cannot config the LIN via forscan. Were you able to move fordward in that case? I would like to do the same, but on a facelifted MK4…