Heated steering wheel Fiesta MK8 CAN issue?

Got a ford fiesta mk8 with the winterpack. HSW loom was already there. Bought a HVAC unit and the SCCM. Uploaded as-build in the modules and cleared DTC’s
When pressing the HSW on the HVAC it changes the status on the APIM screen (HSW turns red) and HVAC turns yellow (on). So there is communication via the HVAC to the APIM. I tried without the HSW on the HVAC but the APIM HSW will not turn-on without that specific unit. Already replaced the SCCM 2 times for a different version and older firmware. Steeringwheel is working itself tested this on a benchtest

However the SCCM is not turned on when pressing the APIM or HVAC HSW. Already replaced the HVAC and SCCM for older firmware still the same issue. My question is is the APIM responsible for sending the signal to the SCCM or is it the HVAC unit? it communicates via MS can according the wirediagram. Although i noticed that MS and HS can are going over the same wires? i thought maybe it has to do with the architecture of the car? the apim i have is a non-nav one. and i have manual climate control and heated seats.

Old unit updated from SYNC 3 - 2.3.17109 to 3.4.21265

  1. If the wiring is just there you may not have the required clock spring or actual correct heated wheel
  2. Did you check to see what the MK8 uses to control power to the wheel? Is it the BCM, FCIM, SCCM or does it have an HSWM.
  3. Did you check to see if the AB was correct on both the FCIM & SCCM since if this is a mod your factory AB will not be correct.

To use a Fusion as an example for an HSW mod, in addition to the wheel, it required wiring added to the steering column harness, the correct clock spring and an HSWM as well as an AB change to the FCIM and the APIM.

I replaced the clockspring, SCCM and HVAC unit according hardware numbers:

HVAC - J1BT-19980-HD (Manual without display)
SCCM - H1BT-3F944-BJ and correct clockspring (was already attached)

Car did already had the loom to the SCCM from BCM (car has the winter pack).

I installed al components, uploaded my original as-build. Enabled APIM HSW via easy mode and enabled HSW in HVAC.

  • HVAC button is working, APIM button is working and lights up communication between HVAC and APIM sync.
    Right so far so good however the steeringwheel did not got warm at al. And YES the engine is running!

Start testing al the components.

1 Fuse Check 15A F15/F16 OK
2 HOT from BCM to SCCM plug 15V (no load) Engine on OK
3 Clockspring continuity test passed but no voltage when pressing HSW button.
4 Heating element (continuity test passed, resistance Ω 2.4
5 Termistor KΩ 23.31 at 6 degrees inside the car. Took it inside and resistance dropped so also good.
6 Benchtest steeringwheel 7v @2amps (got hot and seen on a FLIR camera).

No DTC’s in the SCCM and HVAC and selftest passed.

Already replaced the SCCM for a older type. however those had not the same calibration as my original SCCM. so maybe thats the culprit.

SCCM
Partnumber H1BT-3F944-BJ
Calibration GN15-14C579-AJ (not GN15-14C579-XAF - old SCCM)

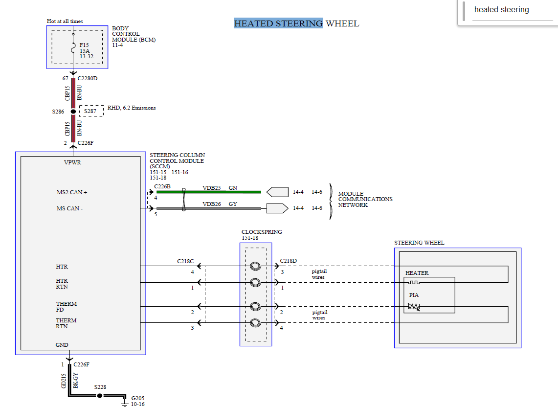
It seems that there is no signal from the HVAC CAN to the SCCM CAN. pin 4 and 5 are used for the HS and MS on the SCCM and communicating with the gateway.

I also compared a as-build from the same care with HSW and coding was also ok.

Only thing i noticed is a remark on the diagrams about 6.2 emmissions?

This gets down to logic in this case.

  1. What is the SCCM config compared to a SAME year Mk8 that had HSW?
  2. What is the BCM part number and config compared to the SAME year Mk8 that had HSW
    You can see the module part numbers and calibration numbers in the factory AB, Ford has a history of leaving things out of the BCM on that chassis series (Fiesta/Focus/Gen 3 Kuga/Escape). As an example the BCM for a Focus SE without fogs is externally identical to one with factory fogs down to the occupied fuses, internally its missing the logic and 1 micro relay.

Found a Fiesta MK8 with 98% same specs and HSW.

Mine car has BCM:
Partnumber
HU5T-14B476-ECH
Calibration:
HU5T-14C184-ACR

Donor car with HSW:
Partnumber
HU5T-14B476-ECH
Calibration:
HU5T-14C184-ACL

Mine car had SCCM:
Partnumber:
H1B1-3F944-AE
Calibration:
GN15-14C579-XAF

Tried 2 partnumbers:
H1B1-3F944-BG & BJ
Calibration:
GN15-14C579-BG & BJ

Everything worked on these SCCM’s but HSW not.

Now bought a thirt one partnumber as donor car and same calibration as my original car.

Donor car SCCM:
Partnumber:
H1B1-3F944-BE
Calibration:
GN15-14C579-XAF

Will do a module reset on the SCCM and HVAC and relearn from BCM. however it seems that it communicates via the Gateway directly from the HVAC to the SCCM. On the HS2 and MS2 CAN.

Is this a RHD?
Is this throwing any codes with the new modules in place?
Are the steering wheel control switches working? If these are the MS-CAN is working, the modules are on the bus.
This then get’s down to what’s in the BCM/FCIM/APIM/SCCM/IPC.

Using a Fusion as an example, dropping Sync 3.4 in with an L series APIM killed the functionality of the heated/cooled seats which worked just fine with the same APIM config on a J series APIM running the same 3.4 build. To get it to work it was necessary to raise the calibration level of the FCIM.

You need to expand the modules that you’re looking at for deltas

From the inside got the steering wheel on the left side (EU car).

Al functions on the steeringwheel SCCM are properly working without any DTC’s.
I have updated my sync 3 SYNC 3 - 2.3.17109 to 3.4.21265

I know from other member with the fiesta you need the HVAC with the HSW button. Only APIM soft button wont work. the HVAC does sync with the APIM thought. So communication from the HVAC to the APIM over the CAN-bus is working as it should. i can also enable disable heated seats from the APIM/HVAC. Light of the HSW light up on both APIM and HVAC as it should and indication it is working :slight_smile: but the wheel is not getting hot.

So last thing is waiting for the part that has the same calibration level as my old part and the fiesta that has it working.

According wiring diagram SCCM, HVAC and Gateway are involved.

APIM See details:

Part number: H1BT-14G371-AFC
Calibration level: H1BT-14G371-AFH (latest known: JK2T-14G371-ADH)
Strategy : GB5T-14G374-DF
Calibration: GB5T-14G375-AA

You’re looking at a wiring diagram, not a logic diagram.

To use a Fusion as an example again, enabling the frost warning on the cluster of a Hybrid using ForScan’s easy button breaks the heat and you start getting Aux heat module DTC.
The easy button has the cluster which is the gateway module for the HVAC thinks that the car is an Energi FHEV which has an aux 6Kw electric coolant heater (which you would use since you can run for an extended distance on battery), it only turns on the ICE when the battery charge runs low. The HEV has no aux heater, it only generates heat from the ICE running, cluster knows no difference because the logic value is wrong and this same setting on a non-HEV/FHEV doesn’t cause an issue because the cluster calibration is different.

Nowhere does the wiring diagram show that the cluster is involved.

Ah i understand your explanation thanks. Only big difference on this Fiesta is that is has a PTC heater (supplemental air heater). Did not know until i looked at the as-built code and on fordzona on VIN check. Prob because of the winterpack.

First blue line is my original as-built. 5A04 (4=HSW disabled) should be 5A0C (C=HSW enabled on HVAC) according the forscan sheet.

CD01 (D) stands voor PTC heater. Al other cars i have found using 5 = NOT PTC.

Thats the only big differents i could find. Wil do a check tommorrow on the as-build. but maybe what you say something could be wrong in the logic why the HSW is not switching on. al the hardware seems working. Also if i disconnect the 12v supply to the SCCM HSW input i get the right DTC’s. Same as when detaching the steeringwheel showing open circuit DTC. Did a module reset on both SCCM and HVAC as well as a relearn. makes no differents.

Just for my understanding the SCCM signal. It says MSCAN and MSCAN2. However PIN 4 & 5 are the HSCAN according the connector diagram. Or are they telling the signal commes from the MSCAN device via the Gateway over the HS CAN?

HVAC is on MSCAN, SCCM on the HSCAN2. i also cannot find any MSCAN2 on this car… Only HSCAN2.

The MSCAN2 in the diagram looks like its a second MSCAN line (it could also be a “typo” I can’t really make out the polarity), if you look at the RCM as an example on the diagram it shows one HSCAN pair coming into the module on one color pair with a second HSCAN coming into the module on another color pair.

Need to look at the gateway modules eg GWM/APIM/IPC/PCM/BCM
The Fiesta/Focus/CMax/Gen3 Escape were all part of what Ford experimented with called Central Config (hence the reason why for a while you had to use Focccus for a long time before ForScan got the ability to do things).

I got the feeling that this 2017 is on some point different (configuration settings) than the 2018 models. Same was for enabling the CC on this car. I had to set in the ABS module CC to adaptive otherwise it did trow me DTC’s. Took me 2 weeks to find the correct setting. After setting via easymode it to adaptive (dont have adaptive yet). DTC’s where cleared and CC was working.

This week i wil receive the SCCM with the firmware that was installed. I wil also restore my APIM setting as-build to see if that makes any differents.

After using several combination i went back searching for parts with the original calibration/strategy that was on the HVAC and SCCM that where on the car without HSW. It was a huge search arround ebay and other sellers to find these parts. But found it (first build 2017 MK8). It worked out of the box.

Original without HSW - Manual climate:

HVAC - First build H1BT-19980-DF - Calibration H1BT-14C178-AF
SCCM - H1BT-3F944-AE - Calibration GN15-14C579-XF

Modules with HSW - Manual climate:

HVAC - First build H1BT-19980-HF - Calibration H1BT-14C178-AF
SCCM - H1BT-3F944-BE - Calibration GN15-14C579-XAF

So it seems that these 2017 first models do not work with the newer firmwares. Question is if this is due to the BCM/GWM? dont know.
I would people advicing check the parts and use the same firmware as the original non HSW on the HVAC and SCCM have to avoid this. Althoug seller told me it was compatible with the 2017 models.

All modules after 2017 (start 2018) using the AG version. Not the XAF. I tried a combination of AG both SCCM and HVAC and that did not work.

Still need to change the VIN and PTC heater in the HVAC module but can be done by easymode. Current VIN in the module seems not to give any problems. Everything is working is it should.

This topic was automatically closed 3 days after the last reply. New replies are no longer allowed.