Hello.
I need help with a Sync 3 retrofit into my 2018 Ford Transit Custom (post-facelift).
I will describe everything clearly so someone who knows this platform can point me in the right direction.
CAR: Ford Transit Custom 2018 (facelift)
BCM: JK2T-15604-FAE (photo attached)
Original radio: Sync 1 (basic)
Retrofit: Sync 3 APIM + screen + ACM from donor Transit Custom (2021).
Wiring: I built the harness myself, partially using wires from the donor loom (KK2T-14K024-CCC) and partially from my original loom.
Everything works except one thing:
APIM is NOT visible in FORScan at all.
ACM is visible, sound works, screen works, Sync 3 boots normally.
Reverse camera also works.
Only APIM does not appear on any network, so I cannot configure it.
What I know:
1. The vehicle originally had Sync 1, so I reused the original CAN wires from the old ACM.
2. I connected CAN from original ACM (green-blue & white-green) to APIM on pins 19/20 – same as donor.
3. APIM still not visible.
4. I tried connecting APIM also to pins 53/54 – no voltage and no CAN activity there.
5. I have a full donor loom and on the donor the CAN pair to APIM goes through BCM connectors.
6. My BCM (JK2T-15604-FAE) has 7 connectors.
On Connector #5 (40-pin), there is one twisted pair only on pins 24 and 26.
Colors are slightly different on my loom vs donor, but positions match.
7. I don’t know if this twisted pair is HS2-CAN or something else.
8. IPMA also does not fully work – likely same CAN issue.
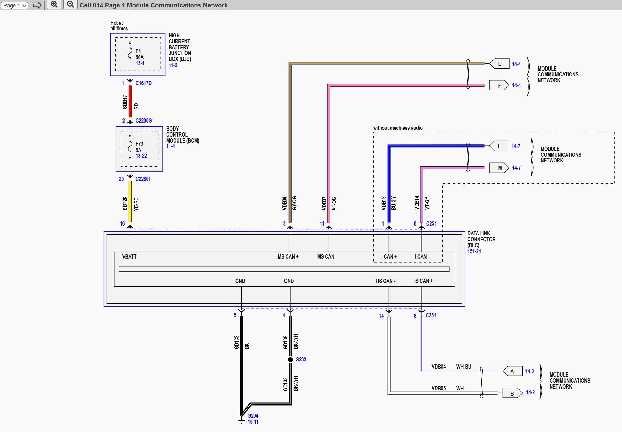
9. I need to know which BCM connector and which pins are the correct HS2-CAN line for APIM/IPMA in Transit Custom (post-facelift), and whether my BCM variant routes APIM on HS2 or another network.
SYMPTOMS: – Sync boots normally
– Radio plays
– Rear camera works
– APIM invisible in FORScan
– No CAN voltage on APIM pins 53/54
– Only 19/20 connected (from ACM line)
ASKING FOR HELP:
Can someone provide the correct pinout / wiring diagram for APIM CAN for Transit Custom 2018+ with BCM JK2T-15604-FAE?
Which BCM connector carries HS2-CAN for APIM/IPMA?
Which exact pins should I use?
Thank you.
